-22% на водонагреватели из нержавеющей стали объемом 500 литров
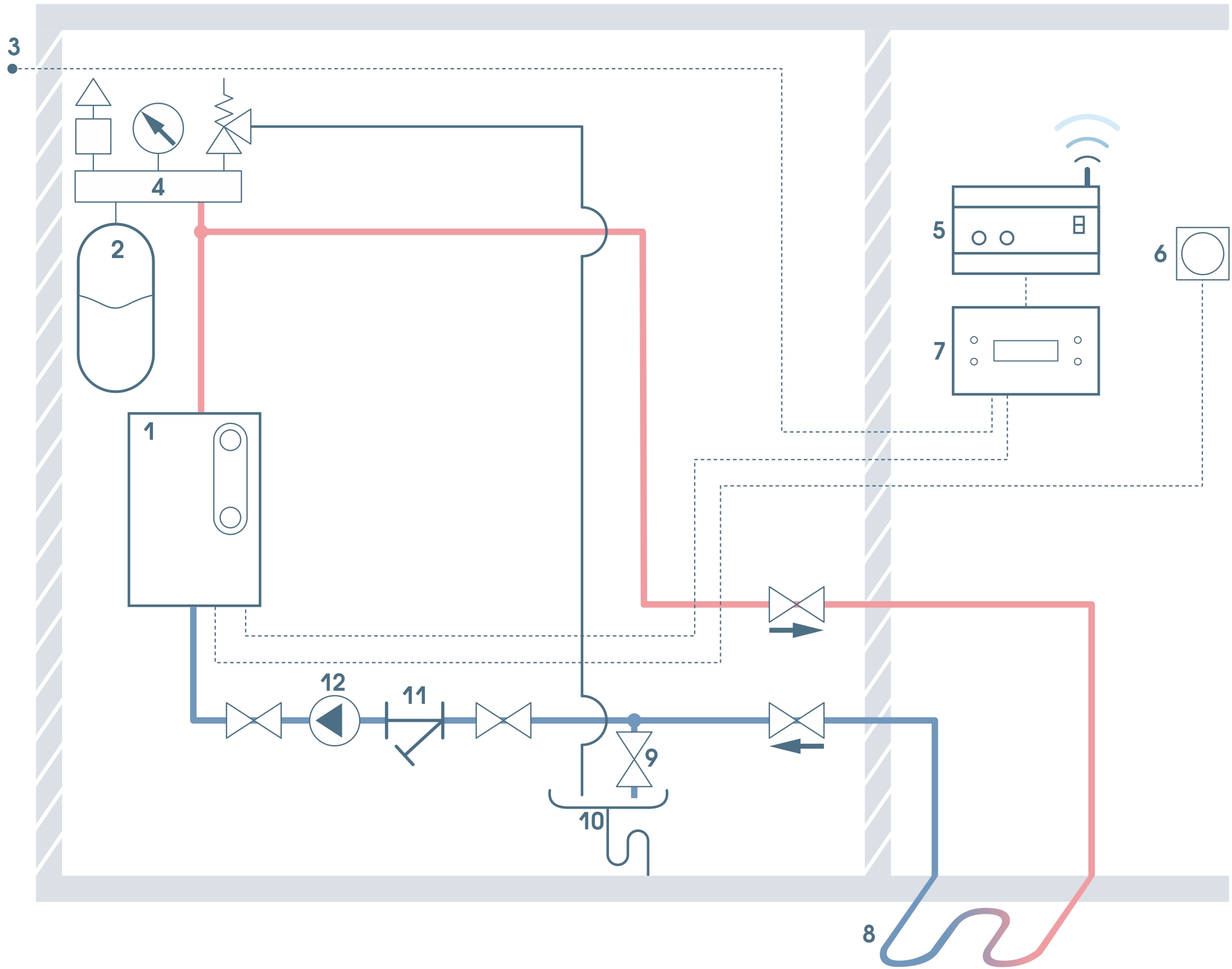
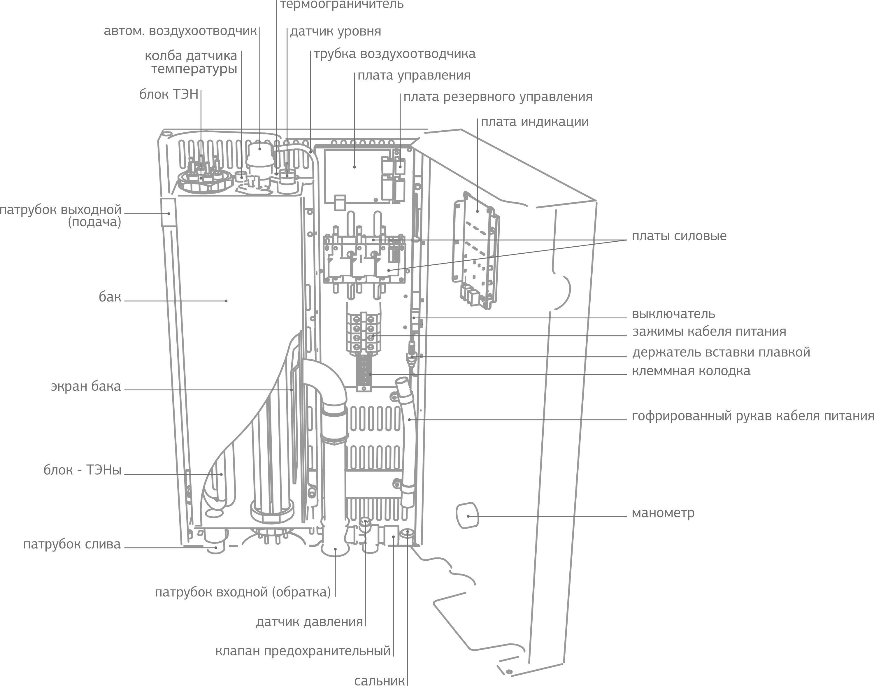
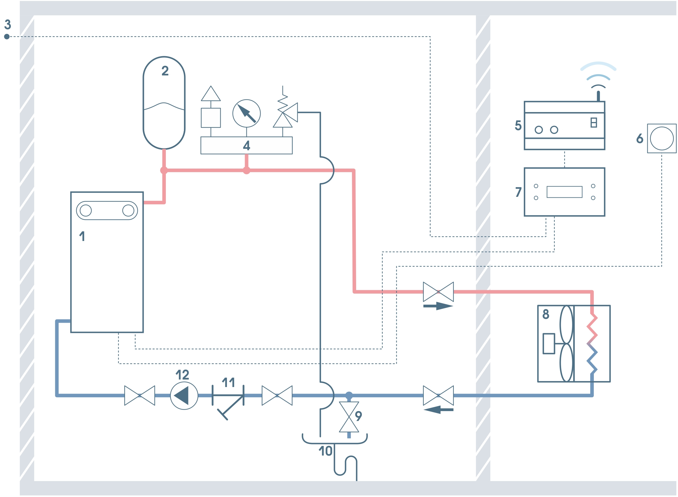
Электрический котел 25 кВт модели Комфорт идеально подходит для автономного отопления загородных домов, коттеджей, бань, детских садов и других видов помещений. Удобный в использовании и легко подключаемый, электрокотел 25 кВт уже содержит в себе элементы группы безопасности: предохранительный клапан, воздухоотводчик, манометр. Снабжен цифровым терморегулятором с дисплеем, микропроцессорным управлением с ПИ-регулированием и датчиком комнатной температуры.
Предусмотрена возможность для подключения погодозависимого контроллера и GSM-управления. Данный электрокотел мощностью 25 кВт станет надёжным источником тепла в Вашем доме.
Гарантия производителя 24 месяцев
Сертификат соответствия Таможенного союза
| ХАРАКТЕРИСТИКИ | ПОКАЗАТЕЛИ | ЕДИНИЦЫ ИЗМЕРЕНИЯ |
|---|---|---|
| Артикул | КЭН-К-25 | |
| Номинальная мощность, ±5% | 25 | кВт |
| Номинальное напряжение питания ±10% | 400 | В |
| Максимальное давление | 0,3 [3] | МПа [Bar] |
| Высота бака котла | 680 | мм |
| Ширина бака котла | 390 | мм |
| Глубина бака котла | 115 | мм |
| 1-я ступень | 8,3 | кВт |
| 2-я ступень | 8,3 | кВт |
| 3-я ступень | 8,3 | кВт |
| Диапазон регулирования температуры теплоносителя | 5 - 90 | ºC |
| Номинальный ток автоматического выключателя, при напряжении питания 400 В | 63 | А |
| Требуемая площадь поперечного сечения медного провода подводящего кабеля, при напряжении питания 400 В | 10 | мм² |
| Рекомендуемая отапливаемая площадь при высоте потолков не более 2,7м; t нар. -25°С | 250 | м² |
| Присоединительная резьба вход/выход тр. | G 1” | дюйм |
| Давление настройки пред. клапана | 3 | Bar |
| Объем бака | 8,4 | л |
| Масса | 25 | кг |
| Объем в упаковке. Котел + ШАУ | 0,03 | м³ |